全国服务热线
400-033-8869
语言
CN
搜索
MENU
首页
产品中心
功率放大器
无线自组网双向放大器
双向放大器
低噪声放大器
中功率放大器
高功率放大器
稳幅放大器
TH581X低噪声整机系列
TH583X中功率整机系列
TH585X整机系列(宽带)
TH585X整机系列(窄带)
线性功率放大器
TH6X系列调频发射机
变频器
上变频器
下变频器
信号源
点频源
合成源
扫频源
TH142X系列信号源
TH144X系列信号源
TH145X系列信号源
移相器
模拟移相器
数字移相器
整机移相器
衰减器
电调衰减器
数控衰减器
滤波器
低通滤波器
高通滤波器
带通滤波器
带阻滤波器
螺旋滤波器
腔体滤波器
射频线缆及天线
磁环天线
偶极子天线
双圆喇叭天线
双脊宽带喇叭天线
双线极化圆喇叭天线
角锥喇叭天线
无线传输系统
检波器
功率合成器
功分器
多工器
耦合器
环形器
隔离器
避雷器
关于我们
企业简介
企业文化
技术研发
质量保证
产品优势
新闻中心
合作伙伴
工具资源
RF样品申请
应用指南
行业文献
资料下载
解决方案
航空航天领域
军事领域
医疗领域
安防领域
智能终端
国产可替代
双向放大器
低噪声放大器
高功率放大器
整机功放
电磁辐射与安全
电磁环境监测
屏蔽效能测试系统
联系方式
联系信息
在线留言
产品中心
Product Center
首页
>
产品中心
>
产品详情
【双向放大器】TFBA-370420M10L详情
08-29
产品展示
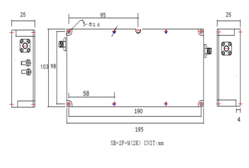
规格尺寸
技术参数
频率范围
370~420MHz
发射平均输出功率
40dBm typ
发射最大输出功率
47dBm typ
发射增益
26dB
带内波动
±1.0dB
输入输出反射系数
-20dB
切换时间
≤4 uS
ACPR
≤-40dBc (@±3.84MHz带宽)
供电要求(电压/电流)
DC+28V/2.7A(370MHz),
3A(395MHz),3.3A(420MHz)
工作环境温度
-40~+70℃
结构尺寸
195mm×103mm×25mm
接收OIP3
28dBm
接收噪声系数
1.5dB max
接收增益
15dB
上一篇
下一篇
友情链接:
三北智测
丹阳华神
西安电子科大
华东理工
哈尔滨电子
航空无线电
海希工业
辽宁仪表
九华信
科威智能
蓝波视讯
行业资讯
产品中心
关于我们
工具资源
解决方案
国产可替代
电磁辐射与安全
联系方式
PA视讯
400-033-8869
thzw@fsyunshenchu.com
北京市朝阳区望京东路8号锐创国际中心B座7层
关注我们
关注微博
关注微信
关注公众号
关注抖音号
Copyright © 2011-2023 北京PA视讯科技有限公司 版权所有
京ICP备93514088号-1
All Rights Reserved
PA视讯