PA视讯科技微波小课堂_什么是Lange耦合器?
作为一个射频工程师,能够留名青史的不多。我们大家所熟悉的除了Smith大神和Wilkinson大神,另一个就是Julius Lange了。Smith圆图和Wilkinson功分器都不用再多做介绍了。我们今天来讲述一下另一个留名射频史的工程师Julius Lange和他的Lange耦合器。
No.1 Lange 耦合器的历史

我们先听一下Dr. Lange是如何讲述这段发明的故事的
“In 1969 we at Texas Instruments were building microwave amplifiers on thin film ceramic substrates. We were using the scheme invented by Engelbrecht at Bell Labs, which required 3-dB quadrature couplers. The challenge was to get tight coupling on single layer microstrip. On the other hand our transistors had too much coupling between the interdigitated base and emitter fingers. So why not an interdigitated coupler? I built it; and it did not work well. Then I remembered that geometric symmetry guarantees quadrature, a 90° split between the outputs. So I moved some of the crossovers from the ends to the middle; and it worked! We had a microstrip interdigitated quadrature coupler with low loss and wide, one octave, bandwidth. ”
1969年,当时在TI工作的Dr. Lange 接到了一个棘手的项目。当时的TI要研发一款基于陶瓷基板的射频放大器,在这个放大器里面需要一个3dB耦合器,然而在当时的条件下,微带耦合器很难实现3dB的紧耦合。即使现在,在同层PCB上,靠窄边耦合,也很难实现如此大的强耦合。如果这个问题给你,你会怎么解决呢?很快我们都会想到了交指,用交指来实现微带线见的强耦合,这个在现在滤波器设计中会经常用到,比如下面这张图。实际上 Lange也想到了这个方法,但是在实际设计中又遇到了对称性的问题,在这一个一个问题的排查解决过程中,一个伟大的耦合器就此产生——Lange耦合器。

J. Lange是幸运的,他接到了一个好项目,让他有机会去寻找这个问题的解决方法。换做是你,也许这个耦合器前面加的就是你自己的名字。不能怪我们不够聪明,只能说自己生的太晚了。

Dr. Lange紧接着就发表了这篇著名的论文“Interdigitated Strip-Line Quadrature Hybrid”,当然也拥有了这个耦合器的专利US3516024。

No.2 Lange耦合器的原理
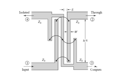
Lange耦合器是一种正交混合耦合器,在输出端口(端口2和端口3)之间有90°的相位差。Lange耦合器的微带电路设计如下图所示。为了达到强耦合,此处用了四根相连接的耦合线,这种耦合线很容易实现强耦合,并且有一倍频程以上的带宽。其难点是实际加工比较困难,主要是线比较窄且间隙很小,另外的横跨在线之间的连接线也很难实现。

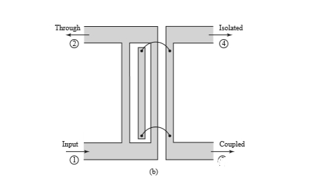
于是人们就把原始的Lange耦合器做了展开设计,如下图所示。

展开型的Lange耦合器设计就稍微简单点,但是原理同Lange原型一样。展开型的Lange耦合器可以用等效电路模拟,如下图所示,它由四根导线组成,所有这些导线都有相同的线宽和间隙。如果我们假设每根导线只与相邻的导线进行耦合,忽略较远的导线的耦合,那么其等效电路可以展开成两根平行耦合线。然后就可以用耦合线的分析方法去分析Lange耦合器。

分析方法我们不再详述,具体可参考论文“A NOVEL APPROACH TO THE DESIGN AND IMPLEMENTATION OF 3 dB LANGE COUPLER FOR MMIC Ka-BAND QPSK MODULATOR”

比较方便的是很多的射频仿真软件上集成了Lange 耦合器的模型,我们可以直接调用模型进行仿真。比如ADS里面的这个模型。

我们调用这个模型就可以进行仿真。




这个看似复杂的Lange耦合器,其实原理也很简单。我们在解决实际问题的时候,很多时候,自然而然的就解开了。所以,不要怕出问题。没问题才是最可怕的。当你解开时,会发现,其实原理就是这么简单。这个交指结构在微波滤波器设计中会经常用到,尤其是在宽带电容耦合情况下。

参考文献:
1,Interdigitated Strip-Line Quadrature Hybrid,Julius Lange
2,Microwave engineering David Pozer










关注微博
关注微信
关注公众号
关注抖音号