PA视讯科技微波小课堂_氮化镓 (GaN)器件基础技术问题分享
作为一种新型功率器件,GaN器件在电源的高密小型化方面极具优势。
器件
01 GaN器件的基本结构是什么样子?和传统MOS器件在结构上有什么区别?
GaN器件是以AlGaN/GaN异质结为基础的横向半导体器件,其外延层依照耐压等级有不同结构设计。以650V GaN器件为例,其外延由3~5um的(Al)GaN材料组成, 从衬底向上依次为成核层、应力释放层、C-GaN层、UID-GaN沟道层、AlGaN势垒层、p-GaN帽层等,高迁移率的二维电子气(2DEG)沟道在AlGaN/GaN界面处产生。AlGaN势垒层以上是介质层以及场板。
传统功率MOSFET为纵向半导体器件,为单一的硅材料器件,其导通电阻和耐压由纵向的漂移区决定,体二极管的存在使得器件具有雪崩击穿能力,但也引入了较大的寄生电容Coss和较大的反向恢复电荷Qrr。按照电压等级不同,功率MOS在不同电压等级有对应的最优结构,如SGT,Superjunction等。

02 GaN器件相较于传统Si MOS,有哪些器件特性上的优势?
由于GaN宽禁带的材料特点,与Si功率器件相比,GaN高电子迁移率晶体管(GaN HEMT)有更高的耐压,更高的电子迁移率,这使得其在高功率和高频应用中具有更好的品质因数和更广阔的应用前景。GaN器件的横向器件结构使其具有极低的寄生电容,并且GaN器件无体二极管反向恢复电荷(Qrr=0),非常适用于高频小型化功率系统。
基于GaN器件优异的性能,相较于传统Si功率器件,GaN器件能够提升系统开关频率,在降低系统体积的同时提升系统功率密度并且降低系统功耗。
03 GaN器件的外延一般长在什么衬底上?
外延生长根据衬底类型的不同可分为同质外延和异质外延两大类。
同质外延是在GaN单晶衬底上外延生长GaN器件,由于GaN衬底生长难度及速度的限制,晶圆尺寸小且价格昂贵,还未有成熟产品面世。
异质外延顾名思义,即采用非GaN材料作为衬底,常用的有p型硅(p-type Silicon)、蓝宝石(Al2O3)、碳化硅(SiC)等。其中p型硅是目前制造GaN 功率器件最主流的衬底。对比其他衬底类型,其晶圆尺寸最大,单片晶圆价格最低,且能与Si-CMOS线兼容,是当前发展潜力最大、成本最优的商用化方案。
除了上述常用的衬底,业内还在积极探索如QST、SOI等新的衬底解决方案。

04 目前有哪几种增强型GaN器件的实现方法?
目前商用的增强型实现方法主要有两种:p-GaN帽层结构和Cascode级联方案。
p-GaN帽层结构:在栅极金属下方通过外延生长引入Mg掺杂的p-GaN帽层,耗尽栅下沟道,实现器件的零压关断。
Cascode级联方案:利用增强型的低压Si MOS形成常关型,耗尽型的高压GaN用于耐压,属于多die合封方案,器件的动静态以及高低温匹配具有难度。该技术适用于高电压、小导通电阻区间,不适合中低压器件解决方案。

05 GaN器件的栅极到源极的最大耐压是多少?
云镓增强型E-mode GaN器件的栅极结构为肖特基栅极结构,其正向耐压主要由肖特基结决定,目前云镓GaN器件栅极正向耐压可以确保大于12V。
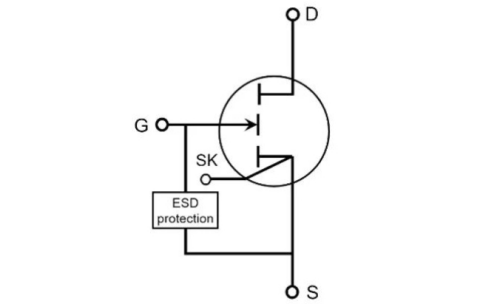
06 GaN器件的ESD防护如何实现?
GaN器件因为结电容小、耐压低,ESD防护能力较弱。目前云镓GaN产品芯片内部集成了ESD泄放电路,能够有效提升GaN器件HBM/CDM等级。云镓ESD电路具有自主IP,拥有正向和反向ESD泄放能力,同时满足负压关断的应用需求。此外也可以根据客户对防护等级的要求进行定制化设计。
07 GaN器件有反向恢复电荷Qrr吗?
GaN器件为单极器件,没有反向恢复电荷Qrr。

08 GaN器件有体二极管吗?
GaN器件是通过材料极化产生的沟道。无需形成PN结,没有体二极管。其反向导通(第三象限导通)的基本原理是VG – VD > Vth:
1) 在零压关断场景下(VG = 0),当VSD = Vth时,器件开始导通续流;
2) 在负压关断场景下(VG < 0),当VSD = Vth + |VG| 时,器件开始导通续流。
如下图所示:

不同于Si器件,GaN器件在反向导通过程中没有体二极管参与,所以不存在反向恢复电荷效应,因此在高压的桥式电路以及中低压的同步整流电路中效率很高。
09 GaN器件有雪崩击穿能力吗?
GaN器件无体二极管,因此GaN器件没有雪崩击穿能力。云镓的GaN器件目前漏极击穿电压大于1000V,可以确保系统的安全性。
10 GaN器件的导通电阻构成有哪几部分?
温度对GaN的导通电阻影响是怎么样的?
GaN器件导通电阻主要由两部分组成,第一部分是GaN器件的前段电阻RDSON(FE),这部分电阻是由GaN器件的材料属性决定,也是GaN器件导通电阻的主要来源。如下图所示,该前段电阻主要由R2DEG (漂移区电阻),R2DEG(Gate)(栅极下方沟道电阻),RC(源漏接触电阻)构成:
R2DEG = L2DEG / WG x Rsh,R2DEG(Gate) = L2DEG(Gate) / WG x Rsh(Gate)
RDSON(FE)=2xRC+R2DEG+R2DEG(Gate)

第二个部分是GaN器件的后段电阻RDSON(BE),这部分电阻是由互联金属层电阻及层间通孔电阻和封装电阻组成,与GaN器件的互联以及封装设计有关,与GaN器件材料关系不大。
温度对RDSON的影响主要表现在对RDSON(FE)和RDSON(BE)的影响,RDSON(FE)包括2DEG和RC的温度系数,RDSON(BE)主要包括Metal(Cu,Al等)的温度系数。温度对GaN器件的影响取决于以上各部分的贡献,取决于器件的设计。
11 如何理解GaN器件的栅极电荷QG?
类似于Si基器件,GaN器件的电容主要由CGS、CGD和CDS三部分极间电容组成。基于此,我们可以得到输入电容Ciss = CGS + CGD,输出电容Coss = CDS + CGD,反向传输电容Crss = CGD。栅极电荷QG即Ciss充电电荷,我们可以从GaN器件的开关过程来提取栅极电荷QG。云镓650V系列产品栅极电荷QG vs VGS曲线如下:

12 如何理解GaN器件的Qoss和Eoss?
GaN器件电容主要有Ciss,Coss,Crss三个部分组成,GaN器件典型C-V曲线如下;

Qoss即GaN器件的输出电荷,通过输出电容对输出电压积分获取,其计算公式如下:

Eoss即输出电容Coss对应产生的损耗。在硬开关应用条件下,输出电容Coss产生的能量损耗Eoss和功耗Poss可通过以下公式计算:

13 如何理解GaN器件的Co(tr) 和Co(er)?
由于功率器件的Coss是Vds相关的非线性曲线,对于评估开关速度以及开关损耗不够直接。对于输出电荷以及开关速度,电源工程师可以用等效的Co(tr) 进行评估:

对于硬开关下Coss引起的开关损耗,电源工程师可以用等效的Co(er) 进行评估:











关注微博
关注微信
关注公众号
关注抖音号