PA视讯科技微波小课堂_如何选择合适的RF衰减器?
衰减器是一种控制元件,主要功能是降低通过衰减器的信号强度。这种元件一般用于平衡信号链中的信号电平、扩展系统的动态范围、提供阻抗匹配,以及在终端应用设计中实施多种校准技术。
衰减器的类型
从关键功能这个角度,衰减器可以分为固定衰减器和可变衰减器,前者的衰减电平保持不变,后者的衰减电平可调。根据可变衰减器支持的衰减控制方式,还可以进一步细分为电压可变衰减器(VVA)和数字步进衰减器(DSA),前者采用模拟控制技术,后者采用数字控制技术。
VVA可以持续调节衰减电平,电平可以设置为给定范围内的任何值。对于自动增益控制电路、校准校正以及其他需要平稳、精确地控制信号的处理功能,通常采用模拟可变衰减器。
数字步进衰减器采用一组离散衰减电平,可以按照预先设置的衰减步长调节信号强度。数字控制RFIC衰减器具有可兼容微控制器的控制接口,并提供出色的解决方案,可用于在复杂设计中保持功能完整性。
设计配置
衰减器IC可以使用电阻、PIN二极管、FET、HEMT和CMOS晶体管,并通过GaAs、GaN、SiC或CMOS技术来实现。图1显示了构成各种衰减器设计配置的三种基本拓扑:T型、π型和桥接T型网络。

图1. 基本的衰减器拓扑:(a) T型,(b) π型,(c)桥接T型网络。
固定值衰减器利用通过薄膜和厚膜混合技术实现的这些核心拓扑来提供固定衰减电平。
VVA一般使用T型或π型配置,二极管或晶体管元件工作在非线性电阻区。利用基本元件的电阻特性,通过改变控制电压来调节所需的衰减电平。
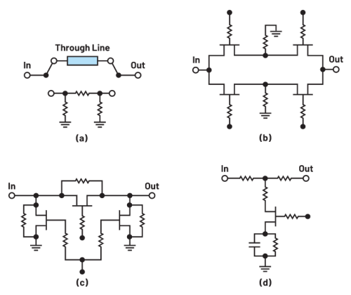
DSA通常采用代表单个位的多个级联单元,它们可以输入或输出,以实现所需的衰减电平。图2显示了DSA设计使用的几种配置示例。其中包括:采用了集成SPDT开关,可通过衰减器和直通线来切换输入和输出端口的配置;开关调节器件设计,使用晶体管或二极管作为可调电阻;开关电阻配置,电阻可以切换,在电路中作为输入或输出;以及器件嵌入式设计,晶体管或二极管是该设计的组成部分。

图2. DSA设计配置示例:(a) π型配置,采用集成开关,(b)开关调节FET配置,(c)开关电阻配置,(d)FET嵌入式配置。
衰减器拓扑可以用在反射或平衡类型的设计中,原理图如图3所示。反射型器件使用同等衰减器,它们连接至3 dB正交耦合器的输出端,一般提供宽动态范围。平衡配置使用两个3 dB正交耦合器连接一对完全相同的衰减器,以提供出色的VSWR和功率处理能力。

图3. (a)反射型和(b)平衡型衰减器设计拓扑。
除了本文中描述的主要设计配置之外,还可使用其他类型的电路来实现IC衰减器元件;但是,本文对这些内容不做讨论。
主要规格
为了针对终端应用选择合适的衰减器,工程师必须深入了解其主要规格。除了衰减功能和一些基本参数(例如插入和回波损耗)之外,还有许多其他特性也可用于描述衰减器元件,主要包括:
■ 频率范围(Hz):IC保持其指定特性的频率
■ 衰减(dB):超过插入损耗的抑制量
■ 频率响应:整个频率范围(Hz)内衰减电平(dB)的变化
■ 衰减范围(dB):该元件提供的总衰减值
■ 输入线性度(dBm):通常使用3阶交调点(IP3)表示,IP3定义输入功率电平的假设点,在该点相应杂散分量的功率将达到与基波分量相同的水平
■ 功率处理(dBm):通常使用输入1 dB压缩点表示,该点定义了衰减器的插入损耗降低1 dB时的输入功率电平;功率处理特性一般针对稳态和热切换模式下的平均和峰值输入功率电平来确定
■ 相对相位(度):由衰减器元件引入信号中的相位偏移
除了这些常用参数之外,还使用开关特性来描述可变衰减器,通常以ns为单位来描述上升时间和下降时间、导通和关断时间,以及RF输出信号的幅度和相位建立时间。
此外,每种类型的可变衰减器都有其固有特性。对于VVA,它们与其模拟控制操作相关,包括:
■ 电压控制范围(V):在衰减范围内调节衰减电平所需的电压
控制特性一般用衰减斜率(dB/V)和性能曲线表示,从中可以看出,衰减电平与控制电压成函数关系
对于DSA,其固有特性包括:
■ 衰减精度(也称为状态误差)(dB):衰减电平相对于标称值的变化极限
■ 衰减步长(dB):任何两个连续衰减状态之间的变化量
■ 步进误差(dB):衰减步长相对于标称值的变化极限
■ 过冲、下冲(dB):状态转换期间的信号瞬变电平(毛刺)
良好的衰减器元件通常需要在工作频率范围内提供平坦的衰减性能和出色的VSWR,提供足够的精度和功率处理能力,并确保在状态转换期间实现平稳、无毛刺运行(信号仅少量失真),或者是提供线性控制特性。
结论
IC衰减器元件的多样性当然不限于本文中讨论的这些。我们还可以找出其他类型的IC,包括基于频率的相位补偿衰减器、温度可变衰减器、带集成式DAC的可编程VVA等。本文仅介绍了一些常见的IC衰减器类型,主要探讨其采用的拓扑和关键规格,以帮助RF设计人员为终端应用选择合适的元件。










关注微博
关注微信
关注公众号
关注抖音号