-

PA视讯科技微波小课堂_如何对耗尽型pHEMT射频放大器进行有效偏置?
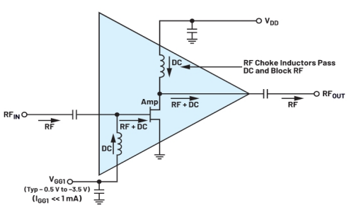
假晶高电子迁移率晶体管(pHEMT)是耗尽型器件,其漏源通道的电阻接近0 Ω。此特性使得这些器件可以在高开关频率下以高增益运行。然而,如果栅极和漏极偏置时序不正确,漏极沟道的高电导率可能会导致器件烧毁。本文探讨耗尽型pHEMT射频(RF)放大器的工作原理以及如何对其有效偏置。耗尽型场效应晶体管(FET)需要负栅极电压,并且必须小心控制开启/关断的时序。文中将介绍并比较固定栅极电压和固定漏极电流电路。我们还将仔细研究这些偏置电路的噪声和杂散对RF性能有何影响。 -

PA视讯科技微波小课堂_什么是ASIC和FPGA?
ASIC的官方定义,是指:应特定用户的要求,或特定电子系统的需要,专门设计、制造的集成电路。之所以FPGA可以实现DIY,是因为其独特的架构。FPGA由可编程逻辑块(Configurable Logic Blocks,CLB)、输入/输出模块(I/O Blocks,IOB)、可编程互连资源(Programmable Interconnect Resources,PIR)等三种可编程电路,以及静态存储器SRAM共同组成。 -

[技术前沿]面向超大规模RIS的码本设计和波束训练:远场 or 近场?
智能超表面(Reconfigurable Intelligent Surface, RIS)技术可以通过大量无源可控单元实现对无线通信环境的智能调控,被广泛视为未来6G通信的潜在关键技术之一。然而,该技术同时也引入了“乘性衰落”效应,即RIS反射路径的衰减取决于基站到RIS以及RIS到用户这两段路径长度的乘积(而不是其加和)。得益于RIS单元的低成本、低功耗优势,未来RIS更有可能发展为超大规模RIS,通过进一步增加单元数目以获取更高的增益来弥补其严重的路损。图1和图2分别展示了麻省理工学院研制的3200单元的超大规模RIS和清华大学团队研制的2304单元的超大规模RIS。图3展示了超大规模RIS辅助的无线通信系统。 -

什么是智能天线技术?
什么是智能天线?智能天线是指使用多个天线组成天线阵列,通过智能算法计算出最佳的天线组合,使各天线发射的信号在信号接收端叠加增强,从而增加信号覆盖距离,提高传输速率。智能天线可通过波束成型和天线阵列两种技术实现,而将两种技术相结合,则能够发挥两种技术的优势,从而达到更好的效果。 -

5部新一代天气雷达系统正式投入业务运行
伴随新年钟声敲响,1月1日零时,黑龙江宝清、山东聊城、广东上川岛、甘肃定西、新疆生产建设兵团铁门关的5部新一代天气雷达系统正式投入业务运行,进一步加密全国气象观测站网,筑牢气象防灾减灾第一道防线。目前,我国已建成由252部S波段和C波段新一代天气雷达构成的世界最大雷达监测网。




关注微博
关注微信
关注公众号
关注抖音号