-

常被问到的射频工程师面试问题(含答案)共20题
PA视讯科技小编著,搜集整理了一些射频面试中最常被问到的一些面试问题包括回答技巧,分享给大家,预祝所有人都找到理想的工作。 -

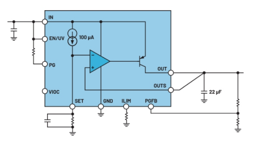
LDO稳压器综合指南及应用
本文介绍 LDO稳压器选型 时几个不太注意的关键参数。还针对特殊低噪声要求,将开关稳压器和LDO稳压器进行了比较。此外还讨论了行业趋势,以及介绍需要高性能LDO稳压器的应用。 -

机器人如何服务最需要帮助的人
2010年,亨利•埃文斯(Henry Evans)在电视上看到了一款机器人——来自机器人公司Willow Garage的PR2,当时佐治亚理工学院机器人专业的教授查理•坎普(Charlie Kemp)正在展示PR2如何确定人的位置并为其拿一瓶药。对于那天的大多数观众而言,PR2不过是一种新奇事物。但对埃文斯而言,这款机器人有可能改变他的生活。“我把PR2想象成自己身体的替代品,”埃文斯说,“卧床多年,我想象着用它来再次操纵身体。” -

业内大牛总结常见射频指标的本质和意义
今天分享一篇业内大牛总结的经验文章,文章通俗易懂,每次翻出来看看都有新的收获。再次分享给大家 -

AI-RAN联盟成立无中国厂商参与有影响吗?
无线接入网络(RAN)作为编织整个互联世界的无形之线,就像人脑中紧密连接成一个大型网络的神经元一样,只不过RAN连接的是互联世界里的人和设备。过去我们将这个网络看成传递信息和智慧的枢纽,如今经历了5代技术演进,已经有的厂商在考虑如何将这个网络变得更加智能了,尤其是在我们离6G越来越近的当下。AI-RAN联盟成立,中国厂商缺席




关注微博
关注微信
关注公众号
关注抖音号